PRODUCTS
ABOUT
COMPANY
Contact
News
Videos
Gallery
Gear Calc App
Spline Calc App
Home
Sprockets
19.05 (3/4") Pitch Sprockets
DCS19.05 : Bossed Duplex Sprockets
DCS19.05-40
DCS19.05-40
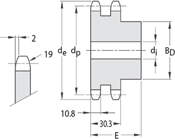
Bossed C43 UNI 7847 Carbon Steel Duplex Sprockets, 3/4" (19.05mm) Pitch (ISO 12B-2), 12.07mm Roller Diameter
Product specifications
Material
C43 UNI 7847 Carbon Steel
ISO No.
12B-2
Pitch/Lead
19.05
No. of Teeth [z]
40
Tip Diameter [de]
251
Ref. Diameter [dp]
242.81
Hub Diameter [BD]
120
Bore Diameter [di]
25
Sprocket Width [E]
50
Mass kg
11.71
Specifications
Overview
Product specifications
Material
C43 UNI 7847 Carbon Steel
ISO No.
12B-2
Pitch/Lead
19.05
No. of Teeth [z]
40
Tip Diameter [de]
251
Ref. Diameter [dp]
242.81
Hub Diameter [BD]
120
Bore Diameter [di]
25
Sprocket Width [E]
50
Mass kg
11.71
Information
Quality Certificate - AS9100D (EN9100:2018, JISQ9100:2016, KS Q 9100:2018), ISO9001:2015
On-Line Gear Calculator
Terms and Conditions
Cookie Policy
Privacy Policy (GDPR)
Contact
Ondrives Ltd, Foxwood Ind. Park, Chesterfield, Derbyshire, S41 9RN, UK
sales@ondrives.com
UK 01246 455500
International Dialling +44 1246 455500
By using our website, you agree to our use of cookies. See in our Footer for all Links to Cookie - Privacy GDPR Policies if using ondrives.com site.
OK
.