PRODUCTS
ABOUT
COMPANY
Contact
News
Videos
Gallery
Gear App
Spline App
Ask-AI
Home
Ground Gears
Ground Worms
UPW2.0-3H
UPW2.0-3H
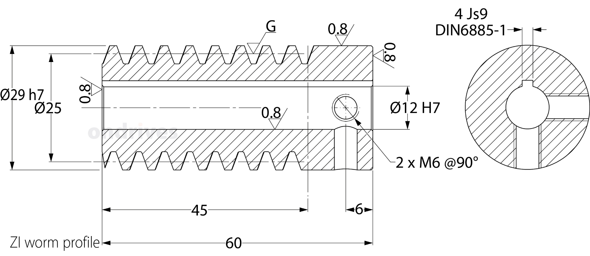
2.0 Module Case Hardened 805M20 (58-62HRC) 3 Start Ground Bore Worm 20° PA Quality Grade 6e25 DIN 3974/3967
Product specifications
Material
805M20, AISI 8620, EN 1.6523, 20NiCrMo2-2 Steel Case Hard 57Hrc
Quality DIN 3974 DIN3967
6e25
No. of Starts worm [z1]
3
Lead Direction
Right Hand
Worm Profile
Zi
Axial Module mx
2.0
Pressure Angle
20°
Gear Tooth Type
Worm Ground
Specifications
Product PDF
Technical
Overview
Product specifications
Material
805M20, AISI 8620, EN 1.6523, 20NiCrMo2-2 Steel Case Hard 57Hrc
Quality DIN 3974 DIN3967
6e25
No. of Starts worm [z1]
3
Lead Direction
Right Hand
Worm Profile
Zi
Axial Module mx
2.0
Pressure Angle
20°
Gear Tooth Type
Worm Ground
Information
Quality Certificate - AS9100D (EN9100:2018, JISQ9100:2016, KS Q 9100:2018), ISO9001:2015
On-Line Gear Calculator
Terms and Conditions
Cookie Policy
Privacy Policy (GDPR)
Contact
Ondrives Ltd, Foxwood Ind. Park, Chesterfield, Derbyshire, S41 9RN, UK
sales@ondrives.com
UK 01246 455500
International Dialling +44 1246 455500
By using our website, you agree to our use of cookies. See in our Footer for all Links to Cookie - Privacy GDPR Policies if using ondrives.com site.
OK
.